本产品为高速机械直结式主轴,主轴连接刀柄形式为BT30,最高转速为20000rpm。
本产品采用了创新专利性的结构,有效控制主轴温升,可不配备油冷机直接使用。经过仿真分析及优化的前端迷宫气封结构,设计有均匀分布的微小气孔,可有效防止切削液、加工碎屑进入。同时创新性的动压效应密封也使得主轴的防水性能获得革命性提升。
这款主轴具备优越的精度与动、静刚度,低振动、低噪音,大幅提升了主轴的稳定性、可靠性和使用寿命。
性能特点
1、高精度:轴芯锥孔偏摆≤0.002mm/s,标准棒300mm处跳动≤0.008,动平衡等级G0.4,具有无与伦比的高精密度的特性。
2、高配置:采用国际知名品牌轴承及高规格标准件,确保主轴性能的长期稳定、可靠。主轴通过联轴器与驱动电机心对心联接,实现同步传动。
3、低噪音:相同运转条件下,最高转速时噪音相比国标直结式联轴器分贝值低5分贝左右。为终端用户提供更好的加工性能和健康的工作环境。
4、刀柄具有多样性:采用BT、BBT、HSK等刀柄接口形式满足客户不同应用需求。
5、高稳定性:独特、稳定、超长寿命(≥500万次)的松拉刀机构设计,确保易损件长寿命。
6、独特设计:独特性的气幕密封+迷宫密封设计使主轴的密封效果有革命性的提升,有效的防止切削液和异物入侵,使主轴在比较恶劣的工作条件下仍可正常使用,减少密封问题引起的机台故障,为客户提高效率。
7、主轴前端设有刀具冷却环喷系统。环喷可根据加工零件或刀具冷却需求不同时,任意调整冷却喷嘴的角度,环喷有在主轴鼻端端面,更接近需求冷却位置,冷却、排屑效果更佳。
8、搭配驱动电机,低速时提供大扭矩,高速时提供大功率。
| 1 | 主轴转速(rpm) | 20000 |
| 2 | 刀柄规格 | BT30 |
| 3 | 轴承规格 | 4×7008 |
| 4 | 润滑形式 | 油脂润滑 |
| 5 | 预紧方式 | 定位预紧 |
| 6 | 允许温升(℃) | ≤18 |
| 7 | 拉爪形式 | 四瓣拉爪 |
| 8 | 拉刀力(N) | 2500-3000 |
| 9 | 平衡等级 | G0.4 |
| 10 | 装配方向 | 立式装配 |
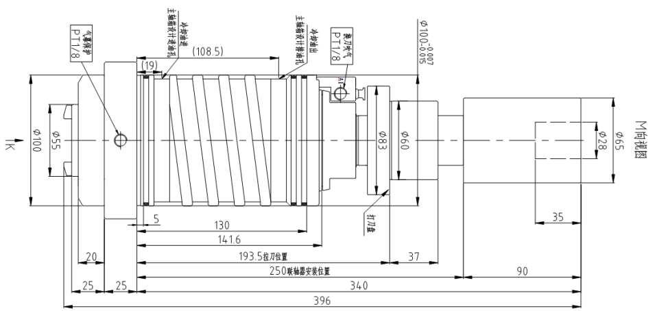
| 11 | 装配直径(mm) | Φ100(-0.007 /-0.015) |
| 12 | 主轴净重(kg) | ≈14.5 |
| 13 | 主轴鼻端端面跳动(μm) | ≤3.0 |
| 14 | 主轴BT30锥孔径向跳动(μm) | ≤2.0 |
| 15 | 主轴联轴器径向跳动(μm) | ≤8.0 |
| 16 | 顶刀量(mm) | 0.4-0.6 |
| 17 | BT30标准棒25mm处径向跳动(μm) | ≤2.0 |
| 18 | BT30标准棒300mm处径向跳动(μm) | ≤8.0 |
| 19 | 轴向刚度(N/μm) | ≥60 |
| 20 | 径向刚度(N/μm) | ≥75 |
