本产品用于加工硬脆性材料或新型材料,如蓝宝石玻璃、陶瓷、半导体、石英等。
1、超声波振动磨削加工是利用超声振动、砂轮(或道具)旋转以及空化效应的一种复合加工方法,刀具不粘黏残屑,提高刀具的切削能力,提高加工表面质量。
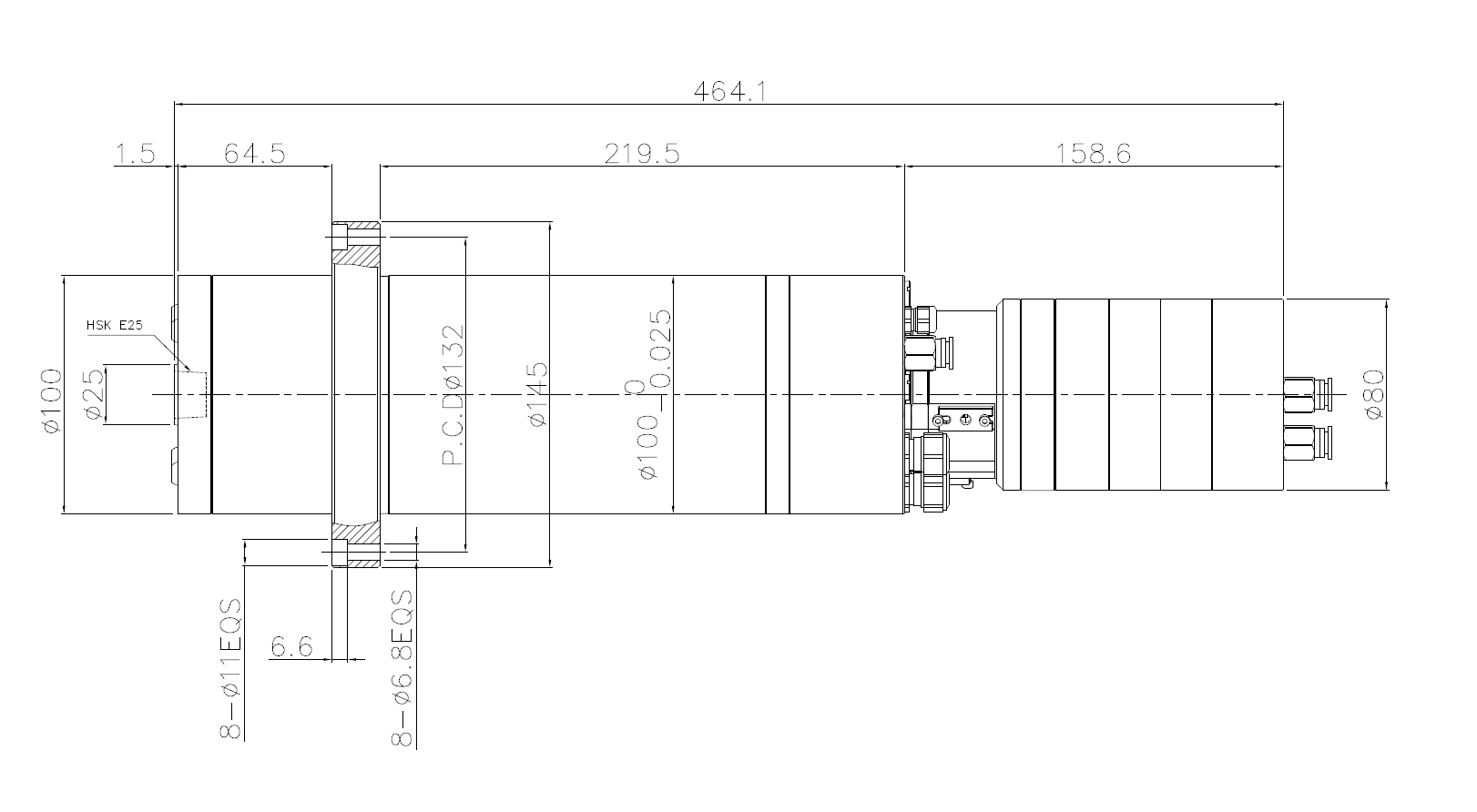
2、采用液压或气压自动换刀方式,使用HSK-E25刀柄。
3、转速高达24000rpm,大幅提升加工效率。
4、三相交流异步电机驱动。
| 型号 | DGZX-10024/3.5UA5-KFPWVJLS | ||
| 电机类型 | 电机类型 | 异步 | |
| 最高转速[rpm] | 24000 | ||
| 额定功率[kW] | S1-100% | 3.5 | |
| S6-40% | 4.2 | ||
| 额定扭矩[Nm] | S1-100% | 1.4 | |
| S6-40% | 1.68 | ||
| 额定转速[rpm] | 24000 | ||
| 额定输入电压[V] | 380 | ||
| 轴承润滑方式 | 油脂 | ||
| 刀柄规格 | HSK-E25 | ||
| 松刀形式 | 气缸 | ||
| 冷却形式 | 内部水冷 | ||
| 中心冷却 | 无 | ||
| 编码器 | 弦波1Vss | ||
| 超声波振动频率[kHz] | 16~25 | ||
| 超声波功率[W] | 300W | ||
| 超声波振幅[um] | 4~12 | ||
