主要应用于加工中心机床,作为机床第四轴,实现一次装夹多面加工,减少装夹次数,大幅提高产品精度及加工效率;中空孔的结构设计方便匹配各种型号的夹具治具,适应不同零件的加工方式。配合尾座及桥板使用,可进行大尺寸零件的加工。
高效率:最高转速200rpm,区别于蜗轮蜗杆类外驱转台,可实现高速高效加工。
超大扭矩:独创研发大扭矩电机,采用创新设计,扭矩比普通电机提升27%;保证大扭矩高效加工。独创的大扭矩电机,扭矩比普通,电机提升27%,可达748N.m。
超高精度:转台使用超高精度绝对式编码器,定位精度±3″,重复定位精度±1″。
高夹紧力:创新设计夹紧结构,比传统碟刹体积更小,反应速度提高1 0倍,夹紧刚性提高3倍。
高稳定性:充分的结构仿真优化,全方位的试验测试,并经过4000台以上的DD转台客户端使用验证, 从而确保整机稳定性。
免维修:传动零磨损,免除传统蜗轮蜗杆定期维护的困扰,降低维护成本,提高客户体验。
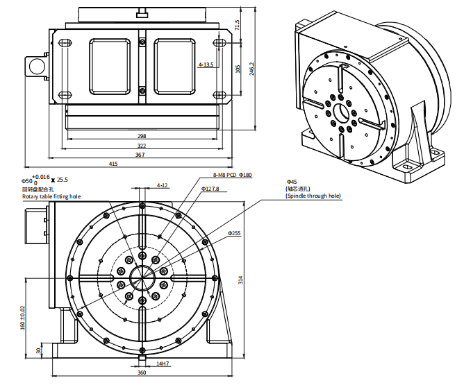
| 关键项目 | 单位 | 数值 |
| 盘面直径 | mm | φ255 |
| 中心高度 | mm | 160 |
| 盘面轴向跳动 | mm | ≤0.005 |
| 盘面径向跳动 | mm | ≤0.01 |
| 刹车扭矩 | N.m | 500 |
| 驱动方式 | / | 力矩电机直驱 |
| 最高转速 | rpm | 200 |
| 驱动器输入电压 | V | 220 |
| 额定功率S1 | kW | 5.3 |
| 额定电流S1 | A | 17.5 |
| 额定扭矩S1 | N.m | 253 |
| 峰值扭矩 | N.m | 760 |
| 最高频率 | Hz | 50 |
| 定位精度 | ″ | ≤±3 |
| 重复精度 | ″ | ≤±1 |
| 承载能力 | kg | 卧式120/ 使用尾座240 |
| 整机重量 | kg | 102.5 |
