本产品属于自动化夹具,主要应于数控车床,具有高转速、高精度、装夹牢靠等特点,配合模块化反涨单元和弹性夹头使用,可
实现夹持工件外圆和撑内孔快速切换,极大提高生产效率。
高转速: 工作转速最大可达5800rpm,提高工件表面质量;
高精度: 夹持外圆和撑内孔时同轴度均小于0.01mm;
装夹牢靠: 采用一夹一靠的夹紧方式,最小夹持长度可达5mm;
高效率: 配合模块化反涨单元和弹性夹头使用,实现工件夹持外圆和支撑内孔快速切换;
长寿命: 有相对滑动的零件采用碳氮共渗和表面淬火处理,精度保持性好,寿命长。
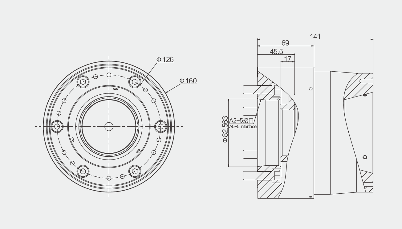
| 产品型号 | Product model | DKPN01-4/65-A2/5 |
| 同轴度 [ m m ] | Coaxiality [ mm ] | ≤0.01 |
| 油缸允许最大拉力 [ K N ] | Cylinder maximum permissible tension [ KN ] | 40 |
| 最大夹紧力 [ K N ] | Maximum clamping force [ KN ] | 100 |
| 极限转速 [ r p m ] | Limit speed [ rpm ] | 5800 |
| 夹头夹持外径范围 [ m m ] | Clamping outer diameter range of collet chuck [ mm ] | 4-65 |
