 
                    主要应用于数控机床上,作为机床第四轴,可分别以垂直或水平两种方式安装于机床工作台上。
转速高、响应快:相对于传统蜗轮蜗杆转台,本转台因采用力矩电机直驱,具有噪音低、无背隙、结构紧凑等特点,最高转速可达240rpm,同时,该产品可做到0.5秒快速起停,响应快。
密封性:周边采用环形密封圈密封,全机采用IP65的防护等级,使转台滴水不进。
车铣两用、五轴联动、效率高:配合主轴可实现高效的车铣复合加工,铣削时可进行精确分度,车削时可实现高速大扭矩旋转,A\C轴联动还可实现连续曲面加工,大幅度提高了加工效率。
强力刹车机构:采用气缸活塞式刹车方式配以刹车增力机构,使转台在相同气压下,刹车锁紧力矩增大到1.5倍,可以承受大扭矩切削。
个性化定制:兼具良好的兼容性,可以根据客户使用要求和精度要求,为客户专业定制。
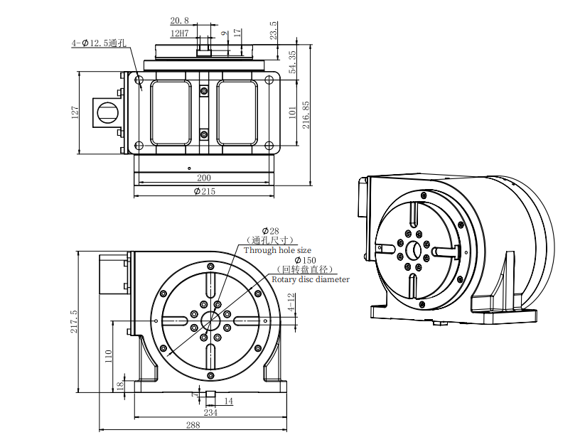
| 主轴型号 | DZGD-150A | 最高转速(rpm) | 240 | 最大扭矩(Nm) | 70 | 
| 技术参数 | 
| 序号 | 项目 | 标准值 | 
|---|

